In den Jahren 2004/05/06 wurde ein altes, baufälliges 2 stöckiges Hanghaus, gelegen an der Ostseite des wunderschönen Bolsenasees (ca. 80 Km nordlich von Rom), renoviert.
Umgeben von 200 Olivenbäumen und Weinreben ist dort ein wunderschönes Feriendomizil entstanden.
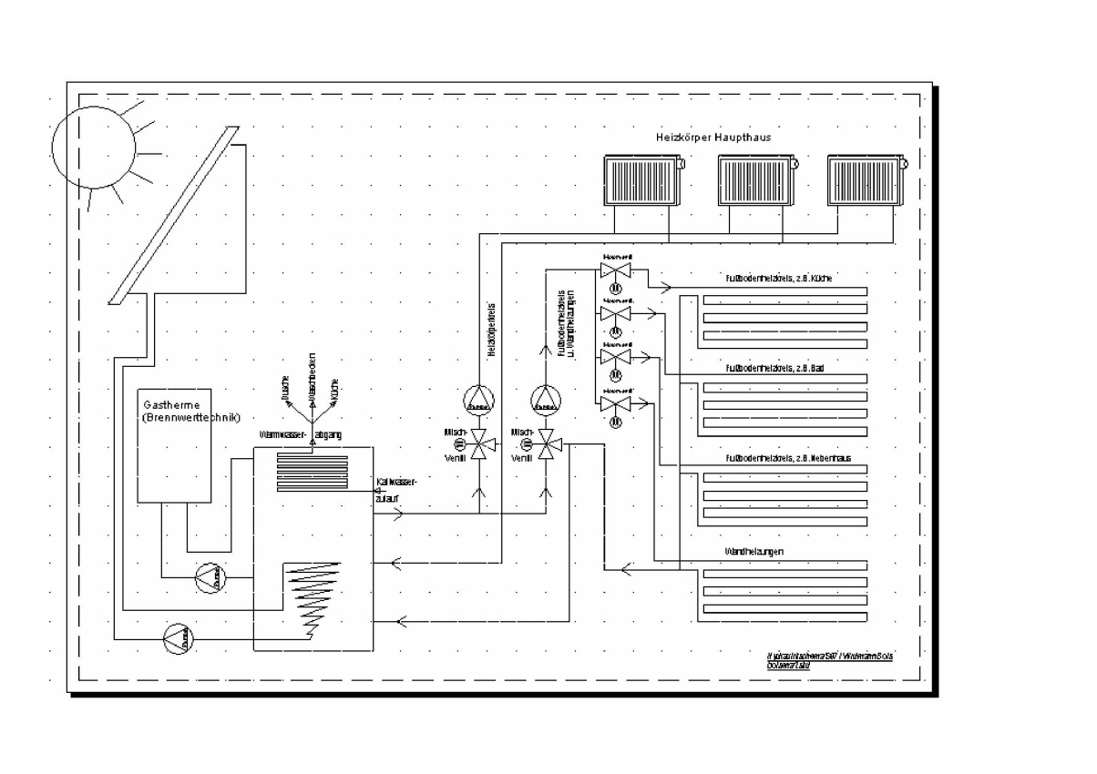
Firma Tyroller GmbH, Dachau-Gröbenried realisierte dort ein durchdachtes Heizsystem, wir durften hierfür die Regelungsaufgaben übernehmen.
Ein 12m⊃2; CPC Solarkollektor von Paradigma, ein 2200 Liter fassender Schichtpufferspeicher mit Brauchwassertauscher sollte hauptsächlich die Heizenergie liefern und zwischenspeichern.
Die Grundtemperatur des Hauses wird durch Niedertemperaturheizkreise, wie Wand- und Fußbodenheizungen geliefert.
Dies sollte auch ein eindringen von Feuchtigkeit in den alten Steinmauern abhalten und für ein behagliches Klima sorgen. Zudem wird die überschüssige Solarenergie sinnvoll verwertet.
Wir konnten diese Anlage noch mit einem Heizdatenspeicher mit Fernübermittlung, Fernabfrage und verschiedene Schaltaufgaben abrunden.
Dem Besitzer ist es nun möglich, von Zuhause aus mit dem PC alle Werte abzurufen, Werte zu ändern, auf Heizbetrieb zu schalten und den Datenspeicher auszulesen.
![]() |
![]() |
|
![]() |
||
![]() |
||
![]() |
||
![]() |
||
![]() |
||
![]() |
||
![]() |














